
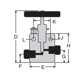
Интерфейсный игольчатый клапан (внутренняя резьба NPT)
Игольчатый клапан с интерфейсом Shandong Saisite представляет собой уплотнительную форму металл по металлу, которая может использоваться для газовых и жидких сред и может обеспечивать хорошую безопасность и стабильность даже в экстремальных условиях.Чтобы обеспечить отслеживаемость клапанов, компания Shandong Saisite ведет подробные записи данных для каждого запорного клапана высокого давления, такие как номер партии, максимальное рабочее давление, номер детали, модель и название.
Благодаря специальной конструкции материал уплотнительного кольца стандартного клапана может использоваться при экстремальных температурах: политетрафторэтиленграфит может использоваться при температуре до 450F (230°G). Клапаны, изготовленные из термостойких материалов или других уплотнительных материалов, могут работать в диапазоне температур от -423°F до 1200°F (от -252°C до 650°C), с соответствующими суффиксами моделей, как показано на следующем рисунке:
Особенности игольчатого клапана
Конструкция подъемной штангиДеталь, контактирующая со средой, изготовлена из нержавеющей стали, а стержень клапана - 17-4PH, который обладает превосходной коррозионной стойкостью.Форма уплотнения металл по металлу обеспечивает хороший уплотняющий эффект и продлевает срок службы иглы клапана и седла клапана, обеспечивая долговечность цикла.Использование уплотнительного кольца из ПТФЭ+графита и металлического опорного кольца делает уплотнение иглы клапана более надежным.Невращающиеся иглы клапана могут предотвратить износ седла клапана.Материал, из которого изготовлена игольная втулка клапана и резьбовая втулка, снижает крутящий момент и увеличивает срок службы резьбы.
Все резьбовые поверхности игольчатых втулок клапанов прошли обработку прокаткой для обеспечения плавности работы.
Если диапазон рабочих температур составляет от 1 (-17) до 450F (230C), компания Shandong Saisite рекомендует использовать компоненты с трубчатыми соединениями и уплотнительные материалы из ПТЭ.
При использовании анаэробных герметиков следует соблюдать требования производителя герметиков. Игла конического клапана, используемая для регулировки и закрытия.
**Значение Cv представляет собой двузначный коэффициент прямого потока. Исходя из этого, значение Cv прямоугольного двухходового клапана необходимо увеличить на 50%.
***См. таблицу соответствия давления и температуры.

Размер резьбы для установки панели — M6 (включая винты). Все характеристики и размеры приведены только для справки. В случае каких-либо изменений право на интерпретацию принадлежит Shandong Saisite.
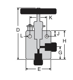
Игольчатый клапан высокого давления
Специальные соединения высокого давления Shandong Saisi (конус и резьба) имеют внешний диаметр стальной трубы 1/4 дюйма и 3/8 дюйма.
Тип конической поверхности:


Тип резьбы: 

Размер резьбы для установки панели — M6 (включая винты). Все характеристики и размеры приведены только для справки. В случае каких-либо изменений право на интерпретацию принадлежит Shandong Saisite.

Компания Shandong Shineeast Fluid Control Systems Co., Ltd., основанная в 2001 году, является профессиональным производителем высокотехнологичного оборудования для обработки жидкостей и газов, предназначенного для генерации, хранения и контроля газов и жидкостей под высоким давлением.
Помимо широкого ассортимента жидкостных насосов с пневматическим приводом, усилителей давления воздуха, газовых усилителей давления с пневматическим приводом, клапанов высокого давления, фитингов и аксессуаров, пневматических силовых агрегатов и гидравлических прессов, машин для испытания под давлением, оборудования для испытаний клапанов и трубопроводной арматуры, насосов для отделки и сопутствующее оборудование, оборудование для испытаний газовых баллонов, а также специальные средства управления и испытательное оборудование для нефтегазовых месторождений, мы настраиваем и производим пневматические силовые агрегаты и испытательное оборудование. Наши основные производственные мощности полностью сертифицированы по стандартам ISO9001 и CE.


Онлайн консультация
Если у вас есть какие-либо вопросы, пожалуйста, свяжитесь с нами, и мы свяжемся с вами как можно скорее.
СВЯЗАТЬСЯ С НАМИ
Пожалуйста, используйте форму ниже, чтобы связаться с нами.
Если вам нужен ответ, мы свяжемся с вами как можно скорее.